LDW 1404 M (38 PS)
LDW 1404 M
LDW 1404 M (38 PS)
Lombardini LDW 1404 M (38 PS)
Technische Daten
| Zylinder: | 4 Reihe |
| Hubraum: | 1.372 cm³ |
| Bohrung: | Ø 75 mm |
| Hub: | 77,6 mm |
| Drehzahl max.: | 3.600 U/min |
| Leistung an der Schwungscheibe: | 27,9 kW / 38 PS |
| Kompression: | 22,8:1 |
| Drehmoment max. bei 2.200 U/min: | 82 Nm |
| Leistung Wasserpumpe bei Volllast: | 25 l/min |
| Neigung längs bei Montage max.: | 15° |
| Neigung längs bei Fahrt max.: | 20° |
| Trockengewicht mit Wendegetriebe: | 133 kg (mit Technodrive TMC 60) |
| Trockengewicht mit Saildrive: | 160 kg |
| Lichtmaschine: | 14 V / 120 A |
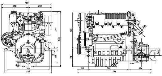
Abmessungen LDW 1404 M
Abmessungen LDW 1404 M (38 PS)
Abmessungen des Lombardini LDW 1404 M (38 PS)
Download-Bereich
- Preisliste
- Bedienungs- und Wartungsanleitung [7.548 KB]
- Boilerkit [1.349 KB]
- Elektrostopp-Anleitung [1.226 KB]
- Elektrische Schaltpläne [816 KB]



